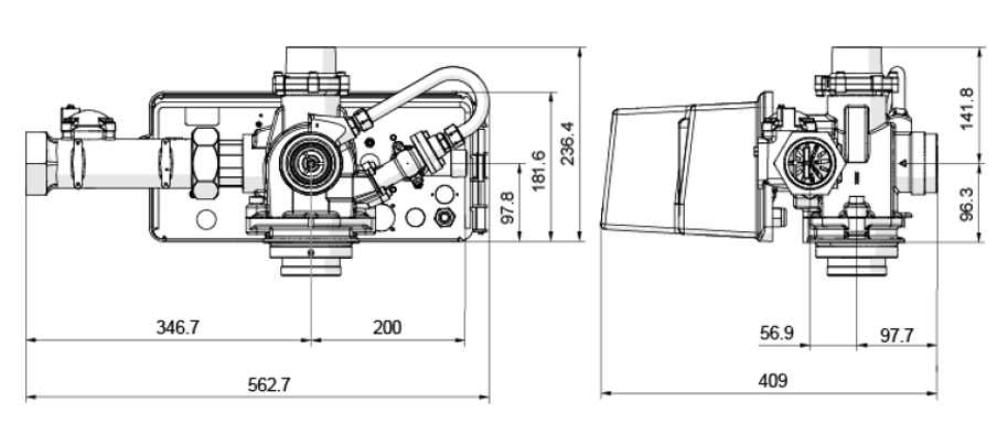
Проматик 820 Т3 М СБП - производительный клапан из пластика для фильтров c таймером.
- Верхняя и боковая посадка.
Лучшее решение для промышленного применения. Благодаря высокой пропускной способности клапан эффективно работает с корпусами диаметром до 48 дюймов.
- Особенностью клапана Проматик 820 является корпус изготовленный из прочного пластика, обладающего превосходной прочностью и коррозионной стойкостью.
- Уникальная система плунжеров. Меняйте поведение работы клапана для тонкой настройки системы без использования дополнительных устройств, используя только различные виды плунжеров. Проматик 820 Т3 М СБП имеет плунжер СБП, предназначенный для пропуска потока воды через клапан во время регенерации.
- Контроллер МТ. Простой и надежный электромеханический контроллер со штифтами.


















 1.png)
 2.png)

 1.png)
 2.png)
 4.png)
 6.jpg)
 5.png)



