Проматик 800 Т5 Р ББП – блок управления промышленных систем умягчения с таймером.
- До четырех фильтров в одной системе.
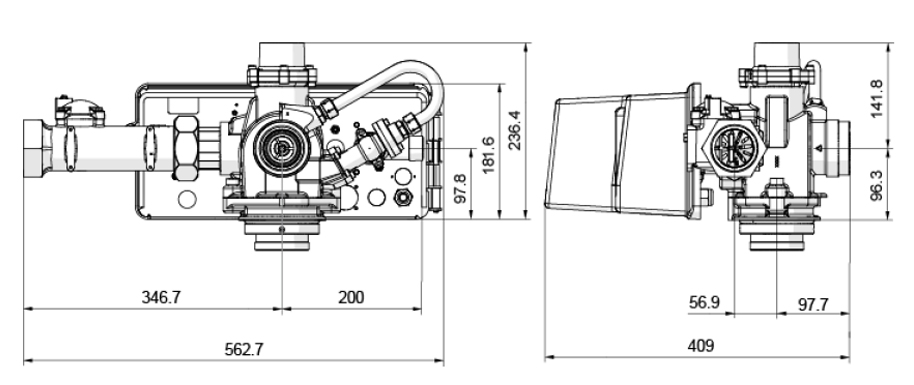
- Верхняя и боковая посадка.
Благодаря высокой пропускной способности клапан эффективно работает с корпусами диаметром до 63 дюймов для умягчителей.
- Уникальная система плунжеров. Меняйте поведение работы клапана для тонкой настройки системы без использования дополнительных устройств, используя только различные виды плунжеров. Проматик 800 Т5 Р ББП имеет плунжер ББП, предназначенный для перекрытия потока воды через клапан во время регенерации.
- Система из нескольких фильтров без дополнительного оборудования. Объединяйте до четырех фильтров в одну систему, используя расширенный контроллер РТ. При этом пользователь может выбрать один из пяти различных режимов работы.
- Верхняя или боковая установка клапана. Клапан может быть установлен в классическом варианте - сверху, или сбоку для более удобного обслуживания.
- В конструкции учтена каждая деталь. Широкий выбор контроллеров, плунжеров, режимов работы и другие преимущества делают этот клапан по-настоящему производительным.
- Полный комплект поставки. Вам больше не придется задумываться о том, что помимо клапана вам нужно купить для его установки. В комплект поставки включены: трансформатор, счетчик воды, верхний дистрибьютор и все размеры инжекторов и ограничительных шайб потока.
- Свобода при выборе приборов учета. Клапаны управления Проматик могут работать со счетчиками воды любого другого производителя.
- Корпус из бессвинцовой латуни. Бессвинцовая латунь является экологически безопасным сплавом и отвечает всем современным европейским и отечественным стандартам по охране окружающей среды.


















 2.png)
 3.png)

 2.png)
 3.png)
 3.png)
 2.png)
 3.png)
 4.png)
 1.png)
 5.png)
 6.png)
 7.jpg)



